Zum Hauptinhalt springen Zur Suche springen Zur Hauptnavigation springen
Versandkostenfrei ab 150€ über 1,1 Mio. zufriedene Kunden Onlinehändler aus BAYERN Kostenlose Kundenhotline +49 (0) 9099 99880 10

HRP-300-5 300W 5V 60A Industrielles Netzteil

Artikelbeschreibung
✔ geschlossene Bauform (case), Schraubanschlüsse
✔ Universaleingang
✔ Überspannungsschutz 300V AC/5s
✔ Überlastschutz durch Strombegrenzung, auto recovery
✔ geschützt gegen Kurzschluss, Überlast, Überspannung
✔ eingebauter PFC-Schaltkreis
✔ niedrige Bauhöhe
✔ Sensoranschluss für korrekte Spannung an der Last
✔ DC-OK-Signal
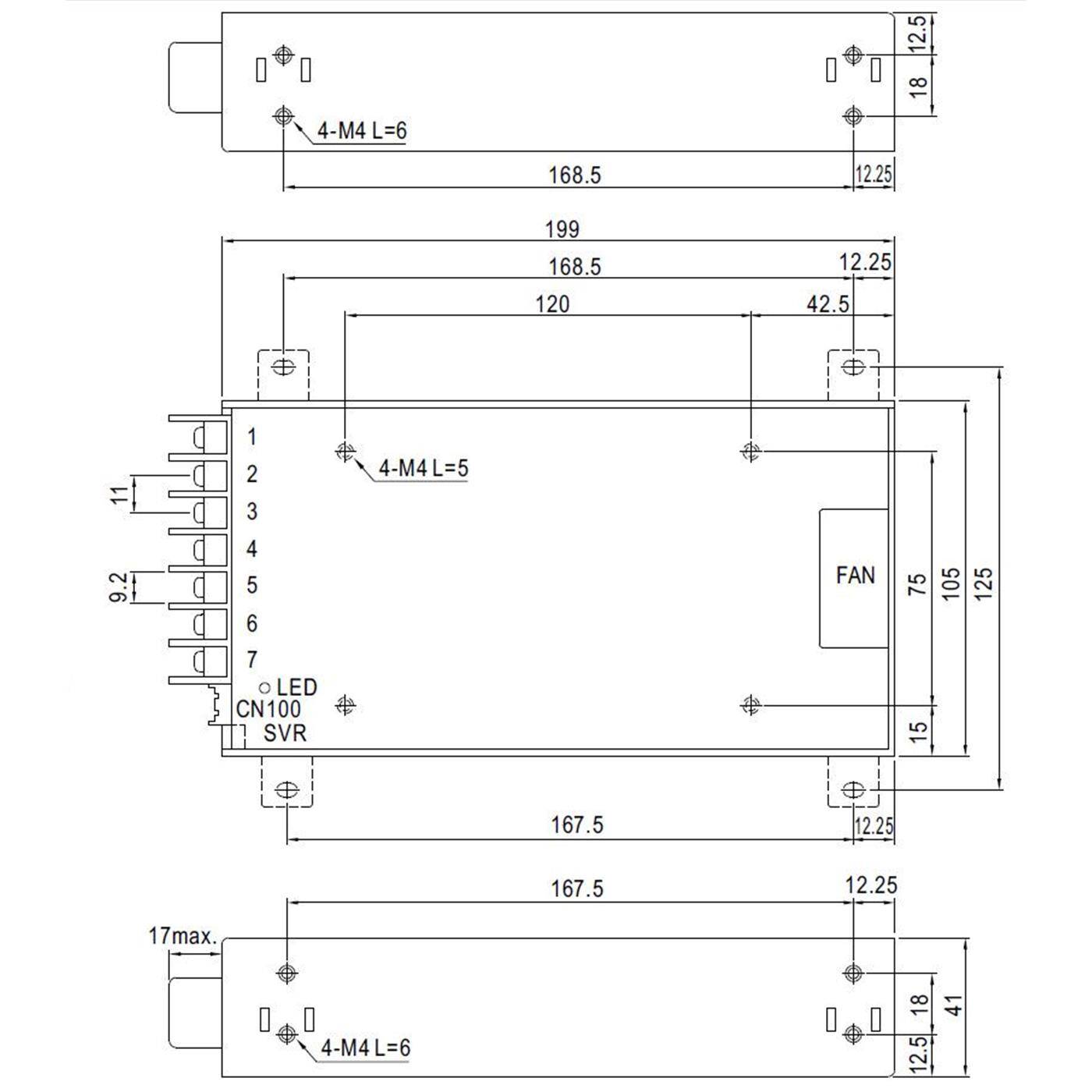
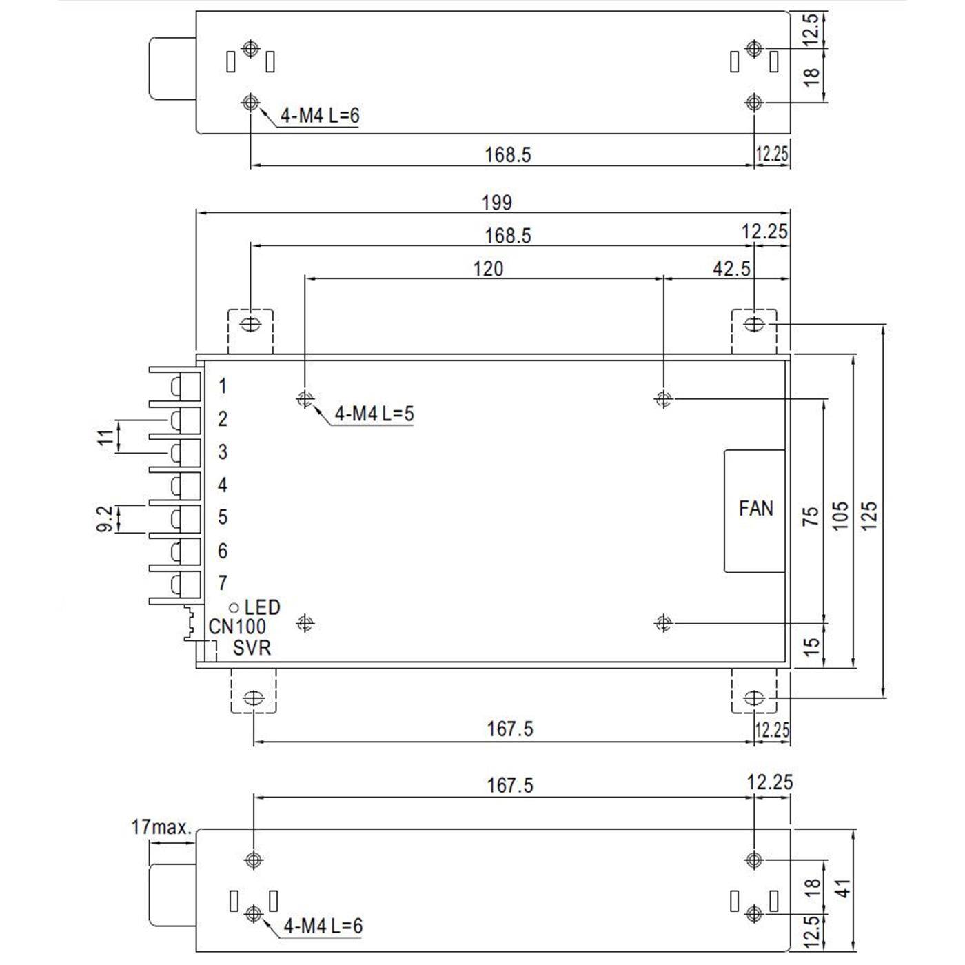
Technische Daten
Netzteil Typ: Industrielles Netzteil
Stabilisierung: Konstantspannung
Topologie: AC/DC Wandler
Eingangsspannung: 115V / 230V (Universal)
Ausgangsspannung: 5V
Ausgangsstrom: 60A
Leistung: 300W
Eingangsspannung (min...max): 85...264VAC
Ausgangsspannung (min…max): 4,3…5,8VDC
Wirkungsgrad: 82%
Anschluss Eingang: Schraubklemmen
Anschluss Ausgang: Schraubklemmen
Länge: 199mm
Breite: 105mm
Höhe: 41mm

Ihr Produktverlauf

Lüfter 230V AC 14W 80x80x25mm 29m³/h 2300U/Min 29m³/h Sunon SF23080AT2082HSL
10,50 €* inkl. MwSt. zzgl. Versandkosten